На главную Форум Ссылки Обратная связь
 




мой первый ламповый умзч.

Здесь Вы можете задать свои вопросы по азам ламповой техники.

мой первый ламповый умзч.

Сообщение константин 20 мар 2009 21:50

если вы начинаюший в постраении ламповых усилителей то вы сделали правильно что зашли сюда.
задавайте вопросы все обсудим вместе.
константин
Живет тут :)
 
Сообщений: 397
Зарегистрирован: 03 мар 2009 00:35
Откуда: воронеж

Re: мой первый ламповый умзч.

Сообщение Admin 21 мар 2009 20:58

Предлагаю попробовать начать с усилителя на 6П14П и 6Ж1П. Он достаточно простой и не капризный. http://www.radiolamp.ru/pc-unch.php
Верь формулам, но доверяй только ушам своим ...
Аватар пользователя
Admin
Администратор
 
Сообщений: 596
Зарегистрирован: 24 янв 2009 11:43
Откуда: Россия, Казань
ФИО: Павел
Позывной: RU4PAA

Re: мой первый ламповый умзч.

Сообщение константин 21 мар 2009 21:22

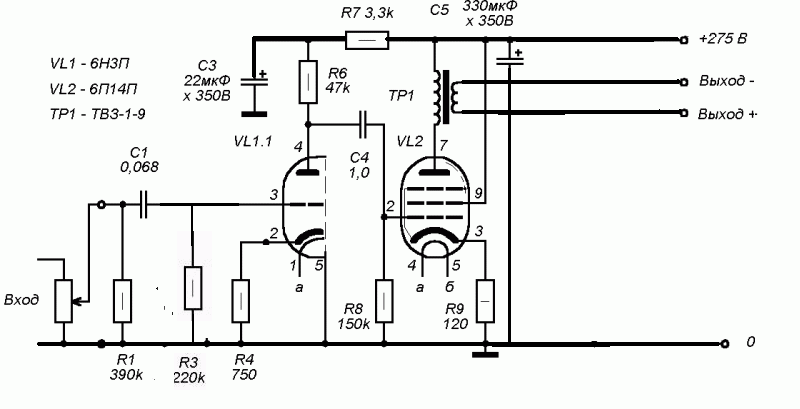
вот убрал все лишнее в паинте ...
я думаю что эта полегче будет.
.gif
вот схема
константин
Живет тут :)
 
Сообщений: 397
Зарегистрирован: 03 мар 2009 00:35
Откуда: воронеж

Re: мой первый ламповый умзч.

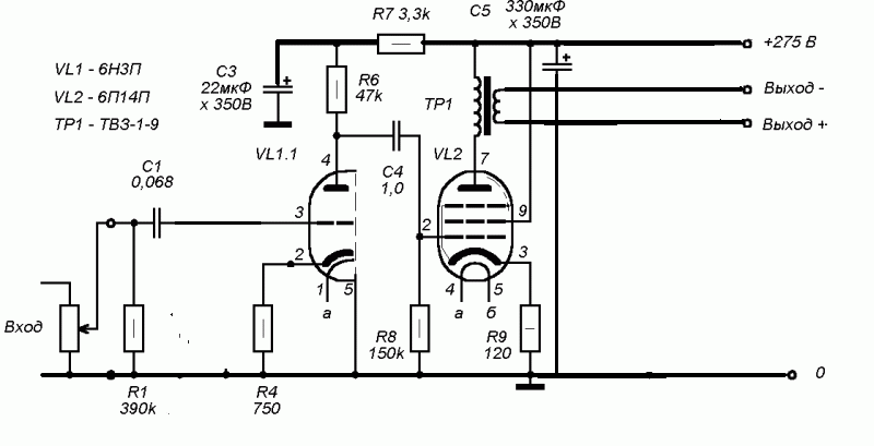
Сообщение константин 21 мар 2009 21:26

ой там ошибся вот теперь правильно...
.gif
константин
Живет тут :)
 
Сообщений: 397
Зарегистрирован: 03 мар 2009 00:35
Откуда: воронеж

Re: мой первый ламповый умзч.

Сообщение Admin 21 мар 2009 21:40

Да согласен, это самая простая конструкция лампового усилителя. Проще нее только одноламповый, наподобие вот этого:
Вложения
6j52pdr.bmp
6j52pdr.bmp (16.23 ) Просмотров: 67815
Верь формулам, но доверяй только ушам своим ...
Аватар пользователя
Admin
Администратор
 
Сообщений: 596
Зарегистрирован: 24 янв 2009 11:43
Откуда: Россия, Казань
ФИО: Павел
Позывной: RU4PAA

Re: мой первый ламповый умзч.

Сообщение константин 21 мар 2009 21:50

я думаю пускай собирают ту которую я выложил.
что скажите...
константин
Живет тут :)
 
Сообщений: 397
Зарегистрирован: 03 мар 2009 00:35
Откуда: воронеж

Re: мой первый ламповый умзч.

Сообщение Admin 21 мар 2009 21:55

константин писал(а):я думаю пускай собирают ту которую я выложил. что скажите...


Согласен, схема, которую выложили Вы более классическая, и даст почувствовать все прелести лампового звука. Особенно, если добавить триодный режим 6П14П.
Верь формулам, но доверяй только ушам своим ...
Аватар пользователя
Admin
Администратор
 
Сообщений: 596
Зарегистрирован: 24 янв 2009 11:43
Откуда: Россия, Казань
ФИО: Павел
Позывной: RU4PAA

Re: мой первый ламповый умзч.

Сообщение константин 21 мар 2009 22:09

у меня есть такой усил...
6п14п вклучена в триодном режиме...
константин
Живет тут :)
 
Сообщений: 397
Зарегистрирован: 03 мар 2009 00:35
Откуда: воронеж

Re: мой первый ламповый умзч.

Сообщение константин 21 мар 2009 22:17

вот еше нарыл схемку,
помоему сдесь еше регулятор тембра есть.
что скажите на счет этого.
ро.jpg
константин
Живет тут :)
 
Сообщений: 397
Зарегистрирован: 03 мар 2009 00:35
Откуда: воронеж

Re: мой первый ламповый умзч.

Сообщение Admin 21 мар 2009 23:04

По идеи тоже самое, только действительно, регулятор тембра прицепили. Кстати я вообще не вижу большого смысла в регуляторе тембра - он только вносит дополнительные искажения.
Верь формулам, но доверяй только ушам своим ...
Аватар пользователя
Admin
Администратор
 
Сообщений: 596
Зарегистрирован: 24 янв 2009 11:43
Откуда: Россия, Казань
ФИО: Павел
Позывной: RU4PAA

Re: мой первый ламповый умзч.

Сообщение константин 21 мар 2009 23:31

абсалютно с вами согласен.
снижает качевство.
константин
Живет тут :)
 
Сообщений: 397
Зарегистрирован: 03 мар 2009 00:35
Откуда: воронеж

Re: мой первый ламповый умзч.

Сообщение koshak 30 мар 2009 12:58

А на 6п44с можно? Если можно, то дайте плиз схемку.
koshak
Пользователь
 
Сообщений: 1
Зарегистрирован: 30 мар 2009 12:53

Re: мой первый ламповый умзч.

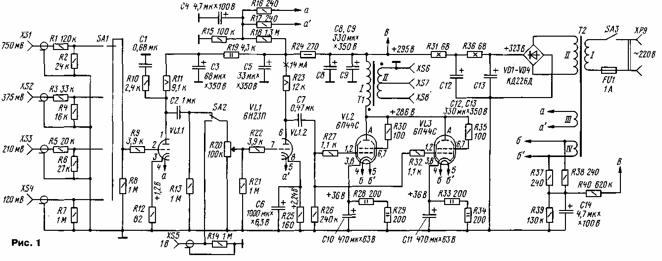
Сообщение Admin 30 мар 2009 15:46

Конечно можно, хотя лампа немного привередливая. Я бы все-таки посоветовал начать с более "простых" ламп, например 6П14П или 6П3С - у них и звук хороший, и с режимами мучится не придется.

А схема на 6П44С пока подвернулась только одна:
image001.png
Схема усилителя на 6П44С
Верь формулам, но доверяй только ушам своим ...
Аватар пользователя
Admin
Администратор
 
Сообщений: 596
Зарегистрирован: 24 янв 2009 11:43
Откуда: Россия, Казань
ФИО: Павел
Позывной: RU4PAA

Re: мой первый ламповый умзч.

Сообщение константин 31 мар 2009 01:19

koshak,
Я ВАМ ТОЖЕ ПОСАВЕТУЮ ДЕЛАТЬ СХЕМЫ ДЛЯ НАЧАЛА,
на 6Н23П в драйвере, И 6П14П В ОКОНЕЧНОМ КАСКАДЕ.
начинайте лучше с неё.
константин
Живет тут :)
 
Сообщений: 397
Зарегистрирован: 03 мар 2009 00:35
Откуда: воронеж

Re: мой первый ламповый умзч.

Сообщение Admin 31 мар 2009 10:34

Кстсти, еще можно попробовать на 6П3С с 6Н8С (или 6Н9С) в драйвере.
Верь формулам, но доверяй только ушам своим ...
Аватар пользователя
Admin
Администратор
 
Сообщений: 596
Зарегистрирован: 24 янв 2009 11:43
Откуда: Россия, Казань
ФИО: Павел
Позывной: RU4PAA

Re: мой первый ламповый умзч.

Сообщение константин 31 мар 2009 11:39

Admin писал(а):Кстсти, еще можно попробовать на 6П3С с 6Н8С (или 6Н9С) в драйвере.

не в обиду но помоему усилитель на на 6Н23П И 6П14П,
проше в сборке ЧЕМ на 6П3С и 6Н8С.
константин
Живет тут :)
 
Сообщений: 397
Зарегистрирован: 03 мар 2009 00:35
Откуда: воронеж

Re: мой первый ламповый умзч.

Сообщение Admin 31 мар 2009 11:51

константин писал(а):не в обиду но помоему усилитель на на 6Н23П И 6П14П, проше в сборке ЧЕМ на 6П3С и 6Н8С.


Не знаю, по-моему одинаково, только в одном случае лампы октальные, а в другом пальчиковые.
Верь формулам, но доверяй только ушам своим ...
Аватар пользователя
Admin
Администратор
 
Сообщений: 596
Зарегистрирован: 24 янв 2009 11:43
Откуда: Россия, Казань
ФИО: Павел
Позывной: RU4PAA

Re: мой первый ламповый умзч.

Сообщение константин 31 мар 2009 15:59

ну да
константин
Живет тут :)
 
Сообщений: 397
Зарегистрирован: 03 мар 2009 00:35
Откуда: воронеж

Re: мой первый ламповый умзч.

Сообщение Grigori 01 апр 2009 21:22

Пусть собирает приглянувшуюся схему,а мы,поможем.
Grigori
Завсегдатый
 
Сообщений: 160
Зарегистрирован: 05 фев 2009 00:09
Откуда: Украина,Макеевка

Re: мой первый ламповый умзч.

Сообщение константин 01 апр 2009 21:52

ДА ТОЧНЯК...
константин
Живет тут :)
 
Сообщений: 397
Зарегистрирован: 03 мар 2009 00:35
Откуда: воронеж

След.

Вернуться в Начинающим

Кто сейчас на форуме

Сейчас этот форум просматривают: нет зарегистрированных пользователей и гости: 1



cron

При перепечатке материалов ссылка на первоисточник обязательна
© 2006-2025 www.radiolamp.ru

Счётчик тИЦ PR Яндекс.Метрика