Настройка контуров детектора ЧМ
Настройка производится при подаче немодулированного сигнала от генератора на управляющую сетку последней лампы УПЧ. В качестве индикатора настройки лучше всего применить ламповый вольтметр постоянного тока, но можно использовать и высокоомный магнитоэлектрический вольтметр со шкалой на несколько вольт. Если детектор ЧМ выполнен по схеме фазового дискриминатора, то вольтметр присоединяют параллельно одному плечу нагрузки (рис. 1, 2 к сопротивлению R2), так как выпрямленные диодами напряжения имеют в обоих плечах нагрузки встречные полярности и взаимно компенсируются.
Рис. 1. Принципиальная схема фазового дискриминатора

Рис. 2. Вариант схемы фазового дискриминатора с доп. катушкой связи L3
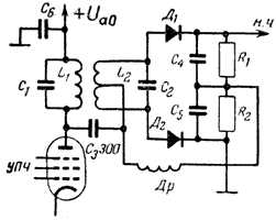
Если в приемнике применен дробный детектор (рис. 3), то вольтметр постоянного тока присоединяют параллельно конденсатору большой емкости (С5 на рис. 3, 4).
Рис. 3. Принципиальная схема симметричного дробного детектора
С3 = С4 = С6 = 300 пФ; R1 = R2 = 10 кОм; R3 = R4 = 1-3 кОм.
Рис. 4. Принципиальная схема несимметричного дробного детектора
После подключения вольтметра производится настройка первичного контура. Признаком точной настройки его является максимальное показание вольтметра постоянного тока. Для настройки вторичного контура в схеме дискриминатора вольтметр переключают параллельно обоим плечам нагрузки (на рис. 1, 2 к точкам "земля" - "НЧ"). Признаком точной настройки вторичного контура является полная компенсация постоянных напряжений обоих плеч схемы, причем показания вольтметра уменьшаются до нуля.
Отклонение настройки вторичного контура в одну и другую сторону от резонанса должно приводить к появлению и увеличению постоянных напряжений противоположных знаков. Для настройки вторичного контура дробного детектора, выполненного по симметричной схеме (рис. 3), вольтметр включают между землей и точкой "д". Настройка производится также по нулевому показанию вольтметра.
В случае несимметричной схемы дробного детектора (рис. 4), на время настройки вторичного контура параллельно конденсатору большой емкости (С5 на рис. 4) присоединяют дополнительный делитель из двух равных сопротивлений для образования искусственной средней точки и вольтметр подключают, как это показано на рис. 5. Величина сопротивлений делителя выбирается в 10-20 раз больше сопротивления R1.
Рис. 5. Включение вольтметра постоянного тока для настройки вторичного контура в схему несимметричного дробного детектора
Для достижения точной настройки поочередную подстройку первичного и вторичного контуров следует повторить 2-3 раза.
После описанной настройки колебательных контуров детектора ЧМ надо снять полученную характеристику его, причем может выясниться необходимость дополнительной регулировки. Для снятия детекторной характеристики вольтметр оставляют включенным так же, как при настройке вторичного контура, и, изменяя частоту генератора в обе стороны от точного значения промежуточной частоты, записывают (с учетом знаков) отклонения частоты и соответствующие им показания вольтметра. По полученным точкам строят график детекторной характеристики. При правильной настройке схемы детекторная характеристика должна иметь симметричный вид и ее прямолинейный участок должен охватывать полосу частот не уже 150-200 кГц (рис. 6).
Рис. 6. Типичный вид детекторной характеристики
Неправильная форма детекторной характеристики чаще всего бывает связана с несимметрией вторичного колебательного контура относительно его средней точки. Несколько улучшить симметрию детекторной характеристики удается подбором сопротивлений R3 и R4 (рис. 3, 4, 7).
Рис. 7. Принципиальная схема АМ-ЧМ детектора с двойным диодом
Эти сопротивления легче всего подобрать, подавая сигнал от генератора с амплитудной модуляцией и добиваясь наибольшего подавления низкочастотного сигнала на низкочастотном выходе детектора. Если прямолинейный участок детекторной характеристики имеет недостаточную протяженность (уже 150 кГц), то надо увеличить связь между катушками первичного и вторичного контуров. При чрезмерной протяженности его (более 250 кГц), напротив, надо ослабить связь между контурами.
Настройка контуров промежуточной частоты
Настройка контуров промежуточной частоты канала ЧМ может производиться при помощи генератора ЧМ колебаний (в этом случае индикатором может служить измеритель выхода, включенный на выходе усилителя низкой частоты) или при подаче немодулированного сигнала от генератора. В последнем случае индикатором служит вольтметр постоянного тока, который при отсутствии ограничительного каскада подключают так же, как при настройке первичного контура детектора, а при наличии ограничителя - параллельно цепочке R1C1 (рис. 8) ограничителя.
Рис. 8. Усилитель ПЧ с ограничением
При настройке колебательных контуров промежуточной частоты в приемнике, снабженном дробным детектором, надо вращать подстроечники медленно, потому что большая постоянная времени цепи нагрузки дробного детектора придает индикатору большую инерционность и при быстрой перестройке контуров легко "проскочить" положение резонанса, не заметив его.
От полосы пропускания усилителя ПЧ частоты ЧМ канала, в сильной мере зависят нелинейные искажения при приеме на УКВ. Если полоса пропускания, измеренная на уровне 0,5, составляет менее 200 кГц, то ее следует искусственно расширить путем шунтирования колебательных контуров сопротивлениями в 10-20 кОм. Если связь в двухконтурных фильтрах выбрана сильнее критической и они обладают двугорбыми резонансными кривыми, то для настройки по максимуму контур, связанный с настраиваемым, временно шунтируют сопротивлением в 3-5 кОм.
Настройка гетеродина
Настройка гетеродина распадается на предварительную, в ходе которой сильно расстроенный гетеродин вгоняется в шкалу настройки независимо от регулировки прочих элементов УКВ блока, и на окончательную, осуществляемую одновременно с настройкой цепей высокочастотного сигнала. Предварительную настройку гетеродина легче всего осуществлять при помощи резонансного или гетеродинного волномера, представляющего собой точно отградуированный радиоприемник, снабженный индикатором резонанса. Связывая волномер с гетеродином, надо прежде всего обнаружить колебания гетеродина, а затем предельно ослабить между ними связь, оставляя, однако, возможность следить по волномеру за частотой колебаний гетеродина.
Вычислив для двух настроек вблизи начала и конца шкалы необходимые частоты гетеродина (на величину промежуточной частоты выше принимаемых), на эти частоты поочередно настраивают волномер и подстраивают гетеродин изменением индуктивности и емкости.
Рис. 9. Принципиальная схема односеточного преобразователя частоты с емкостной настройкой и индуктивным делителем
Если перестройка гетеродина осуществляется диамагнитным сердечником то, слегка смещая этот сердечник по оси, когда он введен в катушку, производят подстройку гетеродина на высшей частоте. Подстройку на низшей частоте в этом случае осуществляют подбором емкости гетеродинного контура.
Если настройка в УКВ блоке осуществляется при помощи конденсаторов переменной емкости, то, как обычно, подстройку на высшей частоте производят изменением начальной емкости контура, а на низшей - подстройкой индуктивности. В ходе настройки гетеродина может выясниться наличие паразитной генерации, "перескоков" частоты гетеродина или срывов генерации в какой-либо части диапазона. Эти явления легко распознаются с помощью волномера. Они обычно бывают вызваны отсутствием балансировки моста, нейтрализующего связь гетеродинного контура с высокочастотным контуром.
Практически проверить и уточнить балансировку моста, нейтрализующего связь гетеродина с УВЧ, можно, включая на выход УВЧ (к точкам 1 - "земля" на рис. 9, 10) высокочастотный ламповый вольтметр и добиваясь минимального просачивания напряжения гетеродина подстройкой предусмотренной для этой цели емкости. Остаточное напряжение гетеродина, проникающее в УВЧ, не должно превышать 0,2 В.
Рис. 10. Принципиальная схема односеточного преобразователя частоты с индуктивной настройкой и емкостным делителем
Признаком хорошей нейтрализации является также отсутствие влияния перестройки колебательного контура УВЧ на частоту гетеродина. После подгонки гетеродина уместно настроить колебательные контуры первого фильтра ПЧ, установленного в УКВ блоке. Для этого выход генератора сигналов, настроенного на промежуточную частоту, присоединяют через конденсатор малой емкости (не более 5 пФ) к первичному контуру фильтра. После этого возможна окончательная подстройка гетеродина и входных контуров с помощью УКВ генератора, подключенного к антенным гнездам.
Настройка высокочастотных контуров УКВ блока
УКВ генератор должен подключаться к антенным гнездам УКВ блока без нарушения согласования, т.е. его выходное сопротивление должно соответствовать используемому антенному входу приемника, а соединительный кабель должен обладать тем же волновым сопротивлением. Если эти условия удовлетворить невозможно, то надо применять соответствующее согласующее устройство, выполненное из безреактивных сопротивлений.
Рис. 11. Согласующее устройство для перехода от 75 Ом к 300 Ом
Настройка входных контуров может производиться как при немодулированном сигнале (по вольтметру постоянного тока, включенному в схеме детектора или ограничителя), так и при ЧМ сигнале (по измерителю выхода). Подстройку входных контуров осуществляют в тех же точках, в каких гетеродин сопрягается со шкалой настройки, и теми же элементами подстройки, что и гетеродин. Ввиду большой трудности полного устранения взаимного влияния настроек гетеродинного и входных контуров окончательную точную подстройку их обычно приходится вести совместно.
Рис. 12. Схема УВЧ УКВ диапазона на триоде с промежуточной заземленной точкой
При настройке УКВ блока в целом может обнаружится паразитная генерация в каскаде УВЧ. Она устраняется балансировкой соответствующей мостовой схемы путем подбора емкости нейтрализующего конденсатора С7 (рис. 12, 13).
Рис. 13. Эквивалентная схема моста, нейтрализующего проходную емкость в усилителе по схеме рис. 12
а - точка подключения анода лампы преобразователя частоты
к - тоже катода
с - тоже сетки
з - заземленная точка.
В случае самовозбуждения на промежуточной частоте следует уточнить емкость конденсатора С6 (рис. 9, 10).
Обычно всякая регулировка УКВ блока влияет и на настройку его контуров. Поэтому для достижения полной настройки УКВ блока описанные здесь операции часто приходится чередовать в различном порядке и повторять несколько раз. Во многих приемниках в целях упрощения конструкции входной контур УКВ блока делают неперестраиваемым. В этом случае его подстраивают на среднюю частоту УКВ диапазона.
По окончании настройки колебательных контуров УКВ канала надо внимательно прослушать работу приемника в этом диапазоне и еще раз на слух проверить отсутствие самовозбуждений, нелинейных искажений, влияние на качество приема неточной настройки на станцию.
В.К. Лабутин. "Книга радиомастера". 1964 год
Комментарии к статьям на сайте временно отключены по причине огромного количества спама. |