Меня часто
спрашивают: как настроить цепь Цобеля?
Этого толком никто не знает. Даже сам Цобель. Даже его
соратник – инженер Пупин, с его пупинизацией телеграфных линий. Я тоже не знаю.
Но, пытаюсь разобраться. С чисто электрической точки зрения. Поскольку с точки
зрения электродинамического ГГ цепи Цобеля принципиально недостаточно для
компенсации всей «кривизны» импеданса такого ГГ. Особенно «на ВЧ». А всё дело в
том, что импеданс ГГ не представляет собой простейшей LR-цепи. Достаточно много в нём
составляющих. Заканчиваются они токами Фуко в магнитопроводе магнитной системы.
Поэтому, нормально работать любые фильтры будут лишь по приведению импеданса ГГ
к чисто резистивному.
Но это всё
лирика. Пока у нас ничего не скомпенсировано, предлагается хотя бы Цобеля
настроить правильно (здесь тоже есть один вопрос, который в данное время изучается).

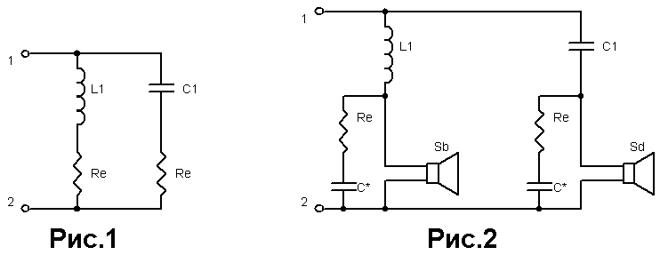
На рис.1
представлена принципиальная электрическая схема идеальной АС. Как видите,
ГГ в ней представлены в виде резисторов. Собственно именно это (заменить реальные
ГГ резисторами точно такого (Re)
номинала) необходимо сделать при точной настройке фильтра для вашей АС. Когда
эта операция произведена, остаётся лишь проверить (и при необходимости «уточнить»)
настройку фильтра. Для этого необходимо на клеммы 1-2 (см. рис.1) подать синусоидальное напряжение с частотой
равной частоте «раздела» в вашей АС. Затем нужно проконтролировать напряжение
на выводах L1 и затем
на выводах С1. При правильно настроенном фильтре значение этого напряжения
составит –3dB от напряжения
на клеммах 1-2 (см. соответствующий раздел в http://www.sky.od.ua/%7Eeugeny/Filter.pdf
). Это и является критерием правильности настройки фильтра. При этом токи
в нагрузках НЧ и ВЧ ветвей фильтра имеют задержку и опережение, относительно
входного тока, соответственно на -/+45гр.
Предположим,
что фильтр настроен точно. Тогда заменяем один из наших резисторов реальными ГГ
(считается здесь, что все работы по подгонке сопротивления ГГ и их
чувствительности уже выполнены). Например НЧ ГГ. Параллельно катушке ГГ
включается цепочка имени Цобеля, представляющая собой резистор с сопротивлением
постоянному току равным таковому у катушки ГГ, т.е. Re (именно ГГ, а не суммы сопротивлений
катушки ГГ и подгоночного резистора) и конденсатора включенного последовательно
этому резистору. Ёмкость этого конденсатора нам и предстоит выяснить.
Вновь подаём
на входные клеммы АС 1-2 (см. рис.2) синусоидальное напряжение с частотой
равной частоте «раздела» и контролируем напряжение на элементе фильтра (L1 для НЧ ГГ или С1 для ВЧ ГГ) соответствующем
подключенному ГГ. Оно явно отличается от значения –3dB относительно напряжения на
входных клеммах (1-2) АС. Подбираем значение ёмкости конденсатора в цепочке
Цобеля до тех пор, пока не будет достигнуто отношение напряжений (-3dB) на элементе фильтра (L1 для НЧ ГГ или С1 для ВЧ ГГ) к напряжению на входных клеммах АС
(1-2). По окончанию настройки одной из ветвей фильтра заменяем второй резистор
реальным ГГ и повторяем процедуру настройки.
В итоге мы
добиваемся равенства импеданса реального ГГ на частоте «раздела» его
сопротивлению на постоянном токе (Re).
Примечания.
- Практические
значения ёмкости конденсатора в цепи Цобеля для НЧ ГГ находятся в пределах
4 – 50 мкФ, а для ВЧ ГГ – 0,2 – 8 мкФ. Хотя, возможны и отклонения. Ищите.
- Вполне
вероятно, что рекомендация самого Цобеля относительно величины резистора (1,1
– 1,25 от Re) в
цепи его имени окажутся справедливыми. Настроить цепь Цобеля можно при практически
любом значении этого резистора. Исследования этого вопроса сейчас ведутся.
- Не
забывайте контролировать напряжение на входных клеммах АС (1-2) в процессе
настройки. Т.к. оно может изменяться при изменении параметров цепи Цобеля.
Зависит от нагрузочной способности применённого генератора НЧ.
- Настройка
данным способом точна лишь в «точке пересечения» (см. выше).
Евгений Бабиченко.
5 июня 2005г.
Одесса.
Автор: Евгений Бабиченко. г. Одесса.
Комментарии к статьям на сайте временно отключены по причине огромного количества спама.