На главную Форум Ссылки Обратная связь
 




откуда берётся фон?!?! :? помогите разобраться :!:

Здесь Вы можете задать свои вопросы по азам ламповой техники.

откуда берётся фон?!?! :? помогите разобраться :!:

Сообщение nezhit 20 июл 2009 09:17

есть такая проблема: собрал макет усилителя по схеме: viewtopic.php?f=20&t=88#p894 . Фона нет никакого. (питание через П-образный фильтр на двух конденсаторах по 220 мкФ и резисторе на 160 Ом. накал поднят над землёй на 60 вольт)
далее собрал почти такой усилитель: http://www.radiolamp.ru/shem/unch/57 . Питание, накал такие же - фонит :( . добавил ещё Г-фильтр из дросселя от УЛПЦТИ (ДР-5-0,08) и ещё кондёра 220*450. стало тихо, но всё-равно, если приложить ухо к колонке - есть фон в ВЧ-динамике.
как с этим бороться? может это потому, что лампы несвежие? в общем я запутался. жду помощи!
всем радистам - по 73!!!
Аватар пользователя
nezhit
Постоянный участник
 
Сообщений: 82
Зарегистрирован: 30 май 2009 20:52
Откуда: Рыбинск

Re: откуда берётся фон?!?! :? помогите разобраться :!:

Сообщение nezhit 20 июл 2009 17:30

народ безмолвствует....
тогда отвечаю сам себе: пересобрал усил по другой схеме, и всё стало ОК.
з.ы. товарищ Манаков, наверное, нарочно предлагает начинающим такие схемы. чтоб эти самые начинающие или схемы научились анализировать, или держались подальше от ламповой техники.
всем радистам - по 73!!!
Аватар пользователя
nezhit
Постоянный участник
 
Сообщений: 82
Зарегистрирован: 30 май 2009 20:52
Откуда: Рыбинск

Re: откуда берётся фон?!?! :? помогите разобраться :!:

Сообщение Grigori 31 июл 2009 20:14

Накал как запитан?Вы выправляли анодное,может фон по накалу.Тогда попробовать входную лампу посадить накал на землю(один из выводов).
Grigori
Завсегдатый
 
Сообщений: 160
Зарегистрирован: 05 фев 2009 00:09
Откуда: Украина,Макеевка

Re: откуда берётся фон?!?! :? помогите разобраться :!:

Сообщение nezhit 31 июл 2009 22:19

Grigori писал(а):Накал как запитан?Вы выправляли анодное,может фон по накалу.Тогда попробовать входную лампу посадить накал на землю(один из выводов).

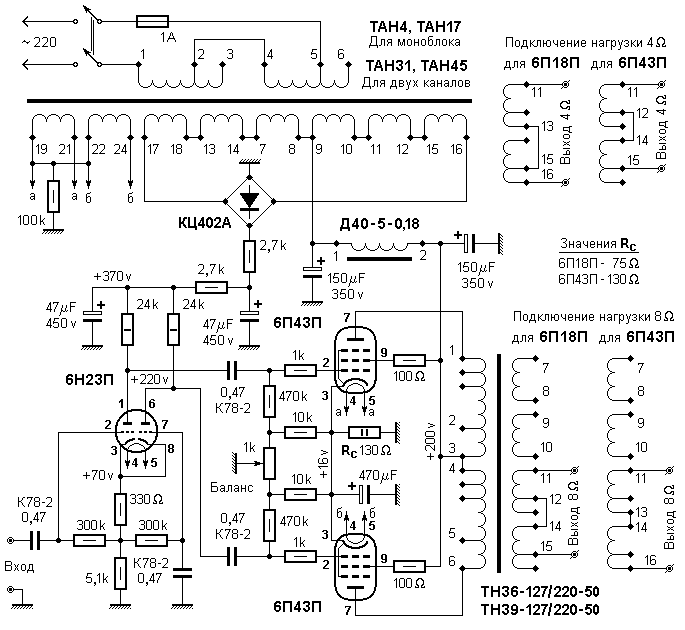
накал поднят над землёй на 60 В. Дело скорей всего в разбалансе токов покоя выходных ламп. меня, как начинающего, удивило то как это влияет на фон. в схеме Манакова они ничем не выравниваются. усилитель я пересобрал по схеме с подстроечным резистором балансировки. схема содрана отсюда (см.рисунок) в катоды были воткнуты резюки по 1 ому для контроля токов анода. анодное питание - другое, катодный резюк - другой. вторые сетки - в ультралинейку. драйвер/фазоинвертор взял без обратной связи с другой схемы А.Манакова (т.к. отправной точкой служила 6н2п): http://www.radiolamp.ru/shem/unch/58
Вложения
tntv3.gif
всем радистам - по 73!!!
Аватар пользователя
nezhit
Постоянный участник
 
Сообщений: 82
Зарегистрирован: 30 май 2009 20:52
Откуда: Рыбинск


Вернуться в Начинающим

Кто сейчас на форуме

Сейчас этот форум просматривают: Bing [Bot] и гости: 1



cron

При перепечатке материалов ссылка на первоисточник обязательна
© 2006-2025 www.radiolamp.ru

Счётчик тИЦ PR Яндекс.Метрика