Оконечные каскады усилителей НЧ
Однотактные
усилители
Однотактные усилители в ламповых приемниках применяются
при выходной мощности не более 4...5 Вт. При больших выходных мощностях, как
правило, используются двухтактные усилители.
Наиболее простая схема оконечного каскада - схема с непосредственным
включением нагрузки - приведена на рис.1.

Рис.1
Для того чтобы головные телефоны не находились под
высоким напряжением, их часто включают так, как это показано на
рис.1
пунктиром, а в анодную цепь ставят сопротивление 4,7...10 кОм.
Наиболее распостраненной нагрузкой оконечных каскадов радиовещательных
приемников является электродинамический громкоговоритель с сопротивлением
звуковой катушки 3...10 Ом. Такие громкоговорители включают в анодные цепи
оконечных каскадов через выходной трансформатор. В настоящее время
разработаны электродинамические громкоговорители с сопротивленим 200...800
Ом, которые могут подключаться к усилителю без выходных трансформаторов.
Трансформатор позволяет преобразовывать не только
переменное напряжение или ток, но и величину сопротивления между выводами
его обмоток. Именно этим объясняется такое широкое применение
трансформаторов в усилителях низкой частоты.
Предположим, для простоты рассуждений, что коэффициент
полезного действия трансформатора равен 100%. Подключим обмотку w1
понижающего трансформатора Тр к генератору переменного тока, а к обмотке w2
подключим сопротивление нагрузки равное 100 Ом
(рис.2).

Рис.2
Если напряжение генератора равно 100 В, а коэффициент
трансформации n, равный отношению числа витков обмоток n = w1/w2 = 2, то ток
I2 через сопротивление нагрузки R2 и мощность P2 в нагрузке будут равны:
I2 = U2/R2 = 50 В/100
Ом = 0,5 А
P2 = U2 I2 = 50 В х 0,5 А = 25 Вт.
Поскольку коэффициент полезного действия трансформатора
равен 100%, то мощность в нагрузке равна мощности, которую трансформатор
потребляет от генератора, то есть P1 = 25 Вт. Ток же в цепи генератора и
обмотки w1 равен:
I1 = P1/U1 = 25
Вт/100 В = 0,25 А.
Сопротивление обмотки w1 для генераторов равно:
R1 = U1/I1 = 100 В/
0,25 А = 400 Ом.
Следовательно, сопротивление R1 получилось в 4 раза
больше, чем R2. Если мы повторим расчет для n = 3, то получим, что R1 будет
в 9 раз больше R2 и т.д. Поэтому можно написать:
(1)
Таким образом, если к одной из обмоток трансформатора
подключено сопротивление R2, то сопротивление другой обмотки для генератора
переменного тока оказывается в n в квадрате раз больше.
Если трансформатор понижающий, то n больше единицы и
сопротивление R1 получается больше сопротивления R2. Для повышающего
трансформатора n меньше единицы и как видно из формулы (1) сопротивление R1
получается меньше сопротивления R2. Так как сопротивление R1 зависит только
от величины сопротивления R2, то принято говорить, что R1 это -
сопротивление, приведенное или пересчитанное к первичной обмотке.
Используя трансформаторы с различными коэффициентами
трансформации можно получить приведенное сопротивление как больше, так и
меньше R2.
На рис.3
показана наиболее распостраненная схема однотактного оконечного каскада на
лучевом тетроде (или пентоде).

Рис.3
Нагрузкой лампы является сопротивление громкоговорителя
Гр, пересчитанное в первичную обмотку w1 (но не сопротивление обмотки w1!).
Как мы уже указывали, сопротивление звуковой катушки электродинамических
громкоговорителей не превышает 5...10 Ом. Большинство электронных ламп,
предназначенных для работы в оконечных каскадах усилителей низкой частоты,
отдает максимальную мощность при величинах нагрузочного сопротивления Ra
2,5...10 кОм.
Преобразование низкоомного сопротивления громкоговорителя
R2p в высокоомное сопротивление нагрузки Ra и осуществляется с помощью
выходного трансформатора.
Нетрудно убедиться в том, что трансформатор должен быть
понижающим, а коэффициент трансформации его может быть найден из формулы
(1). Для реальных трансформаторов коэффициент полезного действия меньше
100%.
(2)
Необходимое число витков вторичной обмотки w2 в
зависимости от сопротивления звуковой катушки громкоговорителя находим по
формуле:

где w1 - число витков первичной обмотки, указанное в
табл.1.
Таблица 1
|
Тип ламп
|
6П1П
|
6П6С
|
6П14П
|
6П18П
|
6Ф1П*
|
6Ф3П*
|
|
Режимы
|
|
Напряжение источника, В
|
250
|
250
|
200
|
250
|
180
|
70
|
250
|
|
Выходная мощность, Вт **
|
2,5
|
2,5
|
1,8
|
3,0
|
2,2
|
0,35
|
1,5
|
|
Приведенное сопр. нагрузки, кОм
|
5
|
5
|
5,3
|
4,8
|
3
|
15
|
5
|
|
Сопротивление автом.смещения, Ом
|
270
|
240
|
130
|
120
|
110
|
150
|
300
|
|
Анодный ток в режиме покоя, мА
|
44
|
46
|
34
|
47
|
53
|
10,5
|
30
|
|
Сечение сердечника вых. транс., см2
|
3,2
|
4
|
3,6
|
5,4
|
4
|
4
|
4
|
|
Число витков первичной обмотки
|
3000
|
3000
|
2600
|
2000
|
1600
|
2800
|
2400
|
|
Диаметр провода I обмотки, мм
|
0,12
|
0,12
|
0,12
|
0,12
|
0,12
|
0,12
|
0,12
|
|
Диаметр провода II обмотки, мм
|
0,51
|
0,51
|
0,51
|
0,51
|
0,51
|
0,51
|
0,51
|
* Пентодная часть лампы.
** Величина выходной мощности указана с учетом потерь в выходном
трансформаторе.
В большинстве схем оконечных каскадов на лучевых тетродах
или пентодах параллельно первичной обмотке включают конденсатор Сш. Иногда
конденсатор Сш включают между анодом лампы и землей. Как известно,
сопротивление звуковой катушки электродинамического громкоговорителя в
значительной степени зависит от частоты и изменяется с частотой так, как это
показано на
рис.4.

Рис.4
Примерно по такому же закону изменяется с частотой и
приведенное к первичной обмотке сопротивление, то есть сопротивление
нагрузки оконечной лампы. Изменение сопротивления нагрузки лампы, приводит к
увеличению коэффициента нелинейных искажений.
Сопротивление конденсатора, как известно, уменьшается с
увеличением частоты. Поэтому параллельно первичной обмотке выходного
трансформатора включают конденсатор Сш для того, чтобы сопротивление
нагрузки лампы в пределах усиливаемой полосы частот оставалось постоянным.
Емкость конденсатора Сш выбирают в пределах от 3000 пФ до 10000 пФ. Рабочее
напряжение конденсатора Сш должно быть в 2...3 раза больше напряжения
источника анодного питания.
Типовые значения сопротивлений в цепи катодов для
оконечных ламп и рекомендуемые режимы оконечных ламп приведены в
табл. 1. Для ламп 6П1П, 6П6С номинальная мощность этого
сопротивления должна быть не менее 1 Вт, а для ламп 6П14П и 6П18П - не менее
0,5 Вт. Желательно применять сопротивления с допуском +/- 5%. Конденсатор
Ск, блокирующий сопротивление автоматического смещения, должен иметь емкость
не менее 10 мкФ для лампы 6П14П и не менее 5 мкФ для остальных ламп.
Для устойчивой работы оконечных ламп сопротивление Rc в
цепи управляющей сетки не должно превышать 1 МОм.
Ультралинейный
усилитель
Основное отличие ультралинейного усилителя (рис.5)
от обычного состоит в том, что экранирующая сетка лампы присоединяется не к
плюсу источника питания, а к части витков первичной обмотки выходного
трансформатора.

Рис.5
Постоянное напряжение на экранирующих сетках для схем
рис.3 и
рис.5 примерно одинаково. Однако в схеме ультралинейного
усилителя на экранирующую сетку лампы поступает и переменное выходное
напряжение, снимаемое с части первичной обмотки между выводами 1-2. При
правильном выборе режима лампы нелинейные искажения в оконечном каскаде
резко снижаются, а выходная мощность и усиление уменьшаются незначительно.
Частотная характеристика усилителя с трансформатором
определяется в основном индуктивностью первичной обмотки L1 и индуктивностью
рассеяния между первичной и вторичной обмотками трансформатора.
Индуктивность первичной обмотки выходного трансформатора выбирают такой,
чтобы индуктивное сопротивление этой обмотки было больше пересчитанного в
первичную обмотку сопротивления громкоговорителя. Это легко выполняется на
средних звуковых частотах, на которых частотная характеристика каскада
получается равномерной (рис.6).

Рис.6
Как известно, с понижением частоты индуктивное
сопротивление обмотки уменьшается, и поэтому оно будет шунтировать
сопротивление нагрузки. А уменьшение сопротивления нагрузки снижает усиление
на низших частотах. Чем меньше индуктивность первичной обмотки L1 выходного
трансформатора, тем на более высоких частотах начинается завал частотной
характеристики усилителя (пунктирная кривая на
рис.6).
У реальных выходных трансформаторов вследствие рассеяния
часть магнитных силовых линий, создаваемых переменным током, проходящим
через первичную обмотку, замыкается, минуя витки вторичной обмотки. Это так
называемый поток рассеяния, который не создает переменного напряжения на
вторичной обмотке. На низших и средних частотах это уменьшение
незначительно, но на самых высших частотах напряжение на нагрузке резко
уменьшается.
Условно действие потока рассеяния можно представить себе
как некоторую небольшую индуктивность, так называемую индуктивность
рассеяния Ls, включенную последовательно с первичной обмоткой выходного
трансформатора. На низших и средних частотах величина сопротивления
индуктивности рассеяния много меньше значения пересчитанного сопротивления
нагрузки. На самых высших частотах это сопротивление возрастает и уменьшает
переменное напряжение на первичной, а следовательно и на вторичной обмотке.
Чем больше поток рассеяния, тем больше индуктивность рассеяния и тем хуже
частотная характеристика усилителя на высших частотах (пунктирная линия на
рис.6).
Уменьшение индуктивности рассеяния достигается тщательным
изготовлением выходного трансформатора и специальным выполнением обмоток. В
простейшем случае сначала наматывается половина витков первичной обмотки,
затем вторичная и поверх нее остальные витки первичной обмотки. Части
первичной обмотки соединяются последовательно, то есть конец первой половины
с началом второй.
В однотактных выходных каскадах на лампах через первичную
обмотку выходного трансформатора всегда протекает постоянный ток, который
намагничивает сердечник трансформатора. Это приводит к двум неприятным
явлениям.
-
Во-первых, уменьшается выходная неискаженная мощность
усилителя. Поэтому при одной и той же неискаженной мощности
трансформатор, работающий с постоянным подмагничиванием, должен иметь
большие размеры, чем трансформатор без подмагничивания.
-
Во-вторых, намагничивание сердечника постоянным током
вызывает уменьшение магнитной проницаемости материала сердечника. Это
снижает индуктивность первичной обмотки выходного трансформатора, что в
свою очередь приводит к уменьшению усиления каскада на самых низших
частотах, то есть к появлению частотных искажений.
Для ослабления влияния постоянного подмагничивания
сердечник следует собирать с зазором 0,1...0,2 мм между Ш-образными
пластинами и перемычками. В этот зазор укладывается бумажная прокладка
толщиной 0,1...0,15 мм.
Двухтактные
усилители
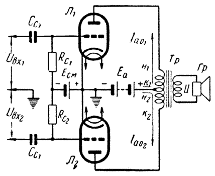
Принципиальная схема двухтактного усилителя на триодах
приведена на
рис.7.
Рис.7
Из схемы видно, что постоянная составляющая анодного тока
каждой лампы протекает через половину первичной обмотки выходного
трансформатора. Направление тока в половинах обмоток противоположно и
поэтому результирующее магнитное поле в сердечнике оказывается равным
разности полей, создаваемых током каждой лампы. При равенстве числа витков
половин обмотки и анодных токов ламп магнитные поля компенсируют друг друга
и результирующее магнитное поле в сердечнике оказывается равным нулю. Это
является одним из важных преимуществ двухтактной схемы.
Отсутствие намагничивания сердечника постоянным током -
постоянного подмагничивания - позволяет выбирать сердечник меньших размеров,
чем для однотактной в усилителях с одинаковой выходной мощностью. Кроме
того, отпадает необходимость в зазоре в сердечнике.
На сетки ламп Л1 и Л2 подаются (обычно с фазоинвертора)
два одинаковых по амплитуде, но противоположных по фазе напряжения. Поэтому
анодные токи ламп также изменяются в противофазе, то есть когда анодный ток
одной лампы увеличивается, анодный ток второй лампы уменьшается (рис.8).

Рис.8
Но поскольку половины первичной обмотки выходного
трансформатора включены встречно, то переменное магнитное поле в сердечнике
оказывается пропорциональным арифметической сумме анодных токов (рис.8
в). Поэтому напряжение на вторичной обмотке выходного
трансформатора будет вдвое больше напряжения, которое было бы при работе
одной лампы.
Если каждая из ламп двухтактной схемы развивает выходную
мощность Рвых, то общая выходная мощность двухтактной схемы будет равна
2Рвых. Такую же мощность мы могли бы получить, если бы включили две лампы
параллельно в однотактной схеме, однако двухтактная схема имеет целый ряд
достоинств, важнейшими из которых являются отсутствие постоянного
подмагничивания сердечника выходного трансформатора; меньшие нелинейные
искажения за счет отсутствия четных гармоник.
Усилительные каскады могут работать в нескольких режимах,
из которых в усилителях НЧ используются режимы класса А, В, АВ, АВ1, АВ2.
Режим класса А. Напряжение смещения на управляющих
сетках ламп - рабочая точка - усилителя класса А выбирается так, чтобы
переменное напряжение сигнала на сетках ламп не выходило за пределы
прямолинейного участка сеточной характеристики лампы (рис.9а).

Рис.9а
Показатели усилителей в режиме класса А: малые нелинейные
искажения; анодный ток покоя лампы больше переменной составляющей анодного
тока, в силу чего коэффициент полезного действия невелик и составляет
30...40%.
Режим класса В. В режиме класса В рабочая точка
выбирается на нижнем сгибе сеточной характеристики ламп (рис.9б).
При этом анодный ток покоя лампы близок к нулю, поэтому через лампу
протекает анодный ток только при положительных полуволнах входного
напряжения. Режим класса В применим лишь в двухтактных схемах. В этих схемах
лампы в плечах работают поочередно: во время одного полупериода входного
напряжения анодный ток проходит через одну лампу, а во время другого
полупериода - через другую лампу.
Достоинством режима класса В является его высокий к.п.д. - до 60...75%.
Следует иметь ввиду, что для усилителей режима В нельзя создавать смещение
на сетки ламп с помощью сопротивлений в цепи катода.
Рис.9б
Режим класса АВ. Режим класса АВ занимает
промежуточное положение между режимами А и В. Напряжение смещения на
управляющей сетке выбирают меньше, чем в усилителе класса В, но больше, чем
в усилителе класса А (рис.9в).
Вследствие этого усиление слабых сигналов в этом режиме происходит в классе
А, а сильных - в классе В. Нелинейные искажения в усилителе режима АВ
незначительно выше искажений в режиме А, а к.п.д. значительно больше,
особенно при больших амплитудах усиливаемого сигнала. Режим АВ используется
только в двухтактных усилителях.

Рис.9в
Усилители режима АВ подразделяются на две группы: АВ1,
при котором сеточные токи отсутствуют, и АВ2, в котором работа происходит с
сеточными токами. Выше мы говорили о различных режимах для усилителей на
электронных лампах, однако все сказанное целиком относится и к транзисторным
усилителям.
Рассмотрев кратко режимы работы, мы сможем объяснить,
почему в двухтактной схеме можно получить больше, чем в однотактной схеме,
выходные мощности и к.п.д. В режиме В ток через лампы проходит лишь в
течение половины периода, а в режиме класса АВ ток через лампы в каждом
плече в течение одной половины периода значительно меньше, чем в течение
другой половины периода. Поэтому оказывается возможным использовать лампу
при анодных токах и анодных напряжениях, больших чем в режиме А.
Недостатки
двухтактных схем
1. Необходимость использования как минимума двух ламп.
2. Необходимость применения фазоинверторов, что требует добавления
специальной схемы.
Практическая схема двухтактного усилителя на двух лучевых
тетродах (или пентодах) приведена на рис.10.
Рис.10
Она отличается от схемы рис.7
только способом создания смещения на управляющих сетках ламп.
Величина емкости Ск выбирается в пределах 20...100 мкФ.
Рекомендуемые режимы оконечных двухтактных каскадов по
схеме рис.10 указаны в
табл. 2.
Таблица 2
|
Тип ламп
|
6П1П
|
6П6С, 6П3С
|
6П14П, 6Ф3П
|
|
Режимы
|
| Напряжение источника питания, В |
250
|
250
|
250
|
| Выходная мощность, Вт |
6
|
8/11
|
9/7
|
| Приведенное сопротивление нагрузки, кОм |
9
|
10/5
|
8/6
|
| Сопротивление автоматического смещения, Ом |
200
|
200/130
|
120/250
|
| Суммарный ток, потребляемый от источника
анодного питания в режиме покоя, мА |
75
|
92/130
|
65/75
|
| Сечение сердечника выходного трансформатора, см2 |
6
|
6
|
5
|
| Число витков первичной обмотки |
1500+1500
|
1000+1000
|
1500+1500
|
| Диаметр провода вторичной обмотки, мм |
0,51
|
0,64/0,72
|
0,64
|
В заключение следует указать, что преимущества
двухтактной схемы можно реализовать при полной симметрии плеч. Для этого
надо подбирать для обоих плеч лампы с одинаковыми параметрами и выполнять
симметричным выходной трансформатор.
В.Большов. "Радио"
№6/1963 год
|
| |
|
Радиолампы, использованные в статье:
- 6П1П
- 6П6С
- 6П14П
- 6П18П
- 6Ф1П
- 6Ф3П
|
Комментарии к статьям на сайте временно отключены по причине огромного количества спама.
Реклама: Контакты с саи та Доставка цветов Ставрополь.