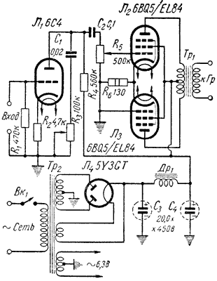
Простой усилитель НЧ
Хотя схема усилителя и не является
новой, однако она может привлечь внимание радиолюбителя своей простотой.
Так, в данном усилителе нет отдельного фазоинвертора: выходные лампы
работают сами в качестве фазоинвертора. Преимуществом такой схемы
является потребность в сравнительно небольшом напряжении возбуждения на
входе оконечного каскада (напряжение возбуждения подается лишь для одной
лампы, а не двух сразу).

Напряжение возбуждения на вторую лампу оконечного каскада
(Л3) снимается с сопротивления R6, так как сетка этой лампы заземлена.
Сопротивление R6 в данной схеме шунтировать конденсатором не следует.
Детали, используемые в усилителе, не критичны по своим величинам, однако
качество воспроизведения зависит от электрических показателей выходного
трансформатора Тр1.
Выходная мощность усилителя составляет около 6 Вт.
Усилитель собран на шасси размерами 110х230х35 мм.
Высокие качественные показатели были достигнуты в
значительной степени благодаря использованию выходных ламп нового типа,
работающих с малыми искажениями при небольшом анодном напряжении 250 В. Для
нормальной работы этих ламп требуется сравнительно небольшое напряжение
возбуждения.
Трансформатор Тр1, использованный в усилителе, -
заводского изготовления. Его основные данные: мощность - 15 Вт, первичная
обмотка рассчитана на сопротивление анодной нагрузки 8 кОм, сопротивление
цепи нагрузки - 4 Ом. (Намоточные данные в описании приведены не были).
В качестве трансформатора Тр2 можно использовать любой
силовой трансформатор, дающий на вторичной обмотке напряжение 250 В.
Дроссель фильтра Др1 - любого типа, индуктивностью его 5...15 Гн, обмотка
рассчитана на ток 75 мА.
В качестве ламп Л2 и Л3 можно применять отечественные
аналоги 6П14П, которые являются полным эквивалентом ламп EL84. Вместо
кенотрона Л4 типа 5Y3GT можно использовать кенотрон 5Ц4C.
Дополнение
"Радио" №7/1962 с.60.
Какие отечественные лампы можно применить и каковы при этом будут данные
трансформаторов?
Во входном каскаде усилителя можно применить триод 6С2П.
В выходном каскаде используются лампы 6П14П. Если трансформатор Тр1 собрать
на сердечнике сечением 6...8 см2, то первичная обмотка должна содержать 4000
витков провода ПЭЛ 0,15...0,16, а вторичная, для нагрузки 4 Ом, 80 витков
провода ПЭЛ 0,9...1,0. Эта же обмотка, но для нагрузки 8 Ом (два,
последовательно соединенных громкоговорителя 3ГД-2 или 4ГД-1) содержит 114
витков ПЭЛ 0,9...1,0.
В случае применения в выпрямителе кенотрона 5Ц4С (вместо
5Y3GT) и сборки силового трансформатора на сердечнике сечением около 14 см2,
сетевая обмотка содержит 372+58 витков провода ПЭЛ 0,51 (для сети 110, 127
В) +315 витков провода ПЭЛ 0,35 (220 В). Повышающая обмотка состоит из
2х1060 витков ПЭЛ 0,16. Обмотка накала кенотрона - 18 витков ПЭЛ 0,9.
Во время налаживания усилителя сопротивление в цепи
катода выходных ламп, следует подобрать опытным путем по наименьшим
нелинейным искажениям, подавая на вход усилителя максимально допустимый
звуковой сигнал и следя за его формой на выходе с помощью осцилографа. Для
ламп 6П14П значение сопротивления R6 будет близким к 120 Ом.
"Electronics World", июнь,
1961 год
|
| |
|
Радиолампы, использованные в статье:
- 6С4П
- 6П14П
|
Комментарии к статьям на сайте временно отключены по причине огромного количества спама.
Реклама: Шпала пропитанная тип 2 для путей колеи доступна на сайте "ПромПутьСнаб".