Симметричный входной каскад
В одном из английских журналов помещено
описание ЧМ приемника, на входе которого использован триодный усилитель ВЧ с
заземленными сетками.
Усилитель имеет симметричный вход, весьма прост в изготовлении и не требует
регулировки и налаживания. В журнале приводятся данные этого усилителя на
диапазон 80...100 МГц, но такой же усилитель может быть собран и для других
диапазонов.

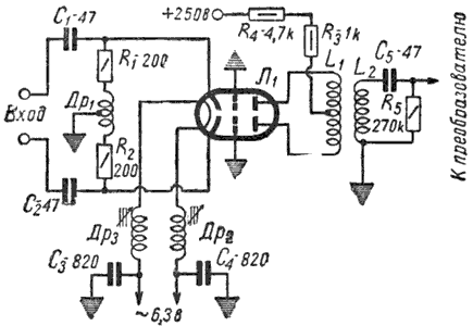
Катоды двойного триода ЕСС85 соединены через конденсаторы С1
и С2 с симметричным антенным 300 Ом кабелем. В цепь накала лампы включены
фильтры Др2, С4 и Др3, С3. Катушка L1 в анодной цепи лампы связана при помощи
катушки L2 с сеткой лампы преобразователя приемника. Катушка L1 в предлагаемом
усилителе не заземляется. Каскад работает в широком диапазоне и позволяет
получить хорошее отношение сигнала к шуму.
Дроссель наматывается проводом диаметром 0,15 мм на каркасе,
в качестве которого используется корпус одноваттного сопротивления. На каждую
половину дросселя уходит 0,5 м провода. Намотка - виток к витку. Дроссели Др2 и
Др3 наматываются проводом 0,5 мм на каркасах из карбонильного железа. Величина
индуктивности их некритична.
Катушка L2 содержит 18 витков провода диаметром 1 мм,
внутренний диаметр катушки 6 мм. L1 состоит из девяти витков того же провода,
внутренний диаметр катушки 11 мм. Катушка L2 устанавливается внутри катушки L1.
Схема такого входного каскада может быть собрана на лампе 6Н3П. В качестве
фидера антенны можно использовать кабель марки КАТВ.
"Wireless World", июль 1956
год
|
| |
|
Радиолампы, использованные в статье:
- 6Н3П
|
Комментарии к статьям на сайте временно отключены по причине огромного количества спама.
Реклама: доставка сборных грузов из китая, loff nm u0418 u044f.